Descripción
EQUIPO DE PRESURIZACIÓN VARIABLE DE 4 BOMBAS – GRUNDFOS – HYDRO MPC-E CRE 32-1-1 – 2.2 KW – TRIFASICO – ARTICULO 98389661
Caracteristicas
- Sistema de presurización electrónico para presión constante
- Totalmente programable y autónomo
- Variador de frecuencia incorporado al motor que mantiene una presión constante sea cual sea el consumo
- Incluye base, colectores de aspiracion y descarga, válvulas de cierre y retención, manómetro y sensor de presión
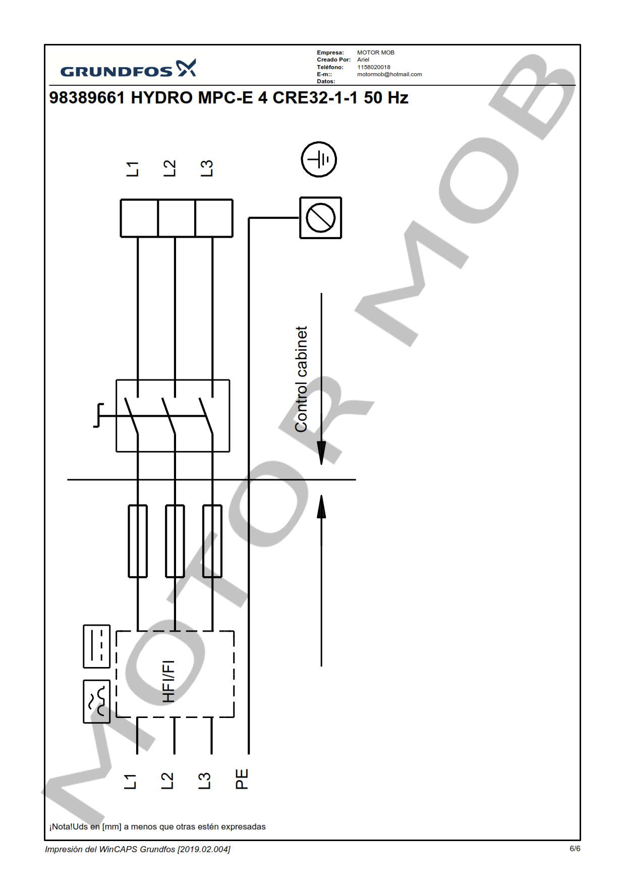
- Incluye tablero de comando y protección, funcionamiento con alternancia y cascada
- Incluye controlador Grundfos CU352
- Temperatura del líquido bombeado: 0 °C hasta 60 °C
- Funcionamiento presostático (tipo on-off) en caso de emergencia
- Protección contra marcha en seco mediante flotante de nivel
- Presión máxima de trabajo 16 bar
- Incluye tanque hidroneumático
DESCARGA EL CATALOGO DEL PRODUCTO AQUÍ
SOMOS DISTRIBUIDORES OFICIALES GRUNDFOS
GARANTÍA OFICIAL DE 36 MESES
PROCEDENCIA DE PRODUCTO: UNION EUROPEA
SOLICITE PRECIOS ESPECIALES POR COMPRA MAYORISTA
FABRICAMOS TABLEROS ELÉCTRICOS – CONSÚLTENOS!!!
DISTRIBUIMOS VÁLVULAS DE TODO TIPO – CONSÚLTENOS!!!











Valoraciones
No hay valoraciones aún.