Descripción
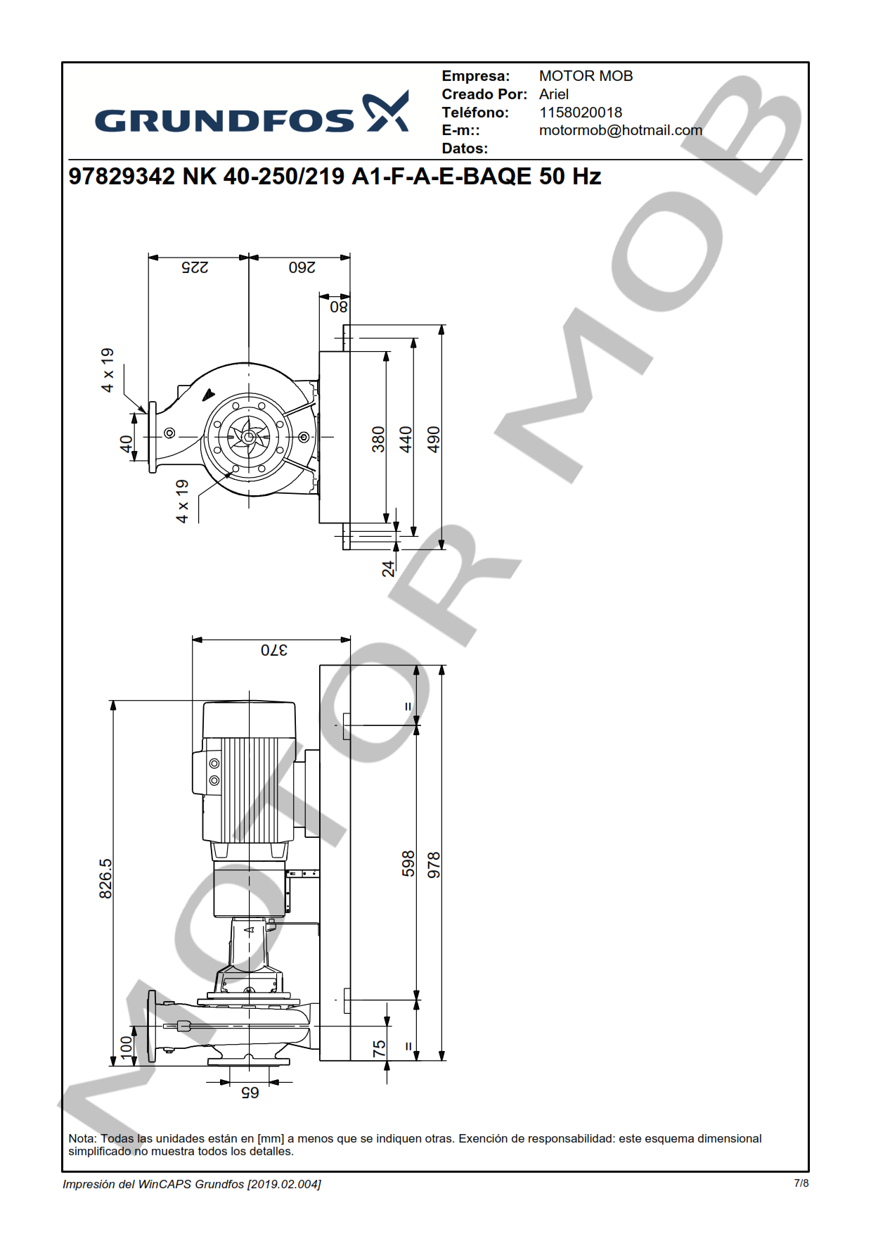
BOMBA CENTRIFUGA – GRUNDFOS – NK 40-250/219 – 1.5 KW – TRIFASICA – ARTICULO 97829342
Características
Bomba centrífuga de voluta, no autocebante y de una etapa, diseñada de acuerdo con la norma ISO 5199, con dimensiones y rendimiento nominal de acuerdo con la norma EN 733. Las dimensiones de las bridas satisfacen los requisitos establecidos por la norma EN 1092-2. La bomba posee un puerto de aspiración axial, un puerto de descarga radial y un eje horizontal. Su diseño incluye un sistema de extracción trasera que permite desmontar el acoplamiento, el soporte de los cojinetes y el impulsor sin que esto afecte al motor, la carcasa de la bomba o las tuberías. El cierre de fuelle de caucho no equilibrado satisface los requisitos establecidos por la norma DIN EN 12756.
DESCARGA EL CATALOGO DEL PRODUCTO AQUÍ
SOMOS DISTRIBUIDORES OFICIALES GRUNDFOS
GARANTÍA OFICIAL DE 36 MESES
PROCEDENCIA DE PRODUCTO: UNION EUROPEA
SOLICITE PRECIOS ESPECIALES POR COMPRA MAYORISTA
FABRICAMOS TABLEROS ELÉCTRICOS – CONSÚLTENOS!!!
DISTRIBUIMOS VÁLVULAS DE TODO TIPO – CONSÚLTENOS!!!













Valoraciones
No hay valoraciones aún.